Custom Fingertips for Robotiq Grippers
Specifications and limitations for designing custom fingertips for Hand‑E and 2F grippers
Robotiq’s standard gripper fingertips are designed to suit most general-purpose applications. However, in cases where you need to handle unique part geometries, improve grip performance, or adapt to specific processes, designing your own custom fingertips is recommended.
This article outlines the specifications, constraints, and steps required to create safe and effective custom fingertips for the Hand‑E, 2F‑85, and 2F‑140 grippers.
Design Specifications
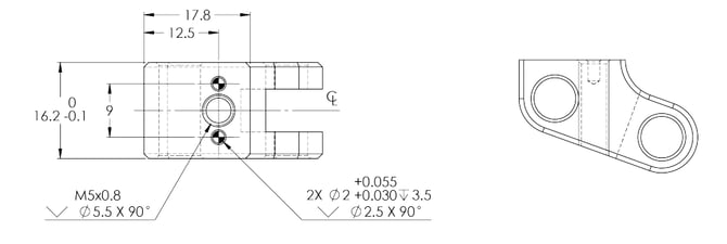
Hand‑E Gripper
Custom fingertips for the Hand‑E must respect the mounting interface and mechanical constraints shown in the image below.


Key points:
-
Use the provided dowel pins and M4 screws.
-
Do not exceed the defined footprint, especially for long or heavy fingers.
-
Ensure adequate clearance for full stroke movement.
2F‑85 and 2F‑140 Grippers
For 2F grippers (C4 version), follow the guidelines below.
Important specifications:
-
Use the M4 screws and pin slots as shown.
-
Do not exceed the maximum size and length indicated in the documentation.
Custom Finger Design Workflow
Follow these steps to safely and effectively create your custom fingertips:
1. Define Your Gripping Requirements
-
What shape and surface is the part?
-
Do you need force concentration or even contact?
-
Will the grip be parallel or offset?
2. Reference Mechanical Drawings
Use the detailed gripper drawings to align your design with the mechanical constraints:
-
Finger mounting hole locations
-
Maximum overhang
-
Stroke range
3. Respect Mechanical Limits
-
Avoid finger extensions that amplify torque during operation.
-
Keep mass and length within the safe boundaries shown in the manual.
4. Design for Proper Fixing
-
Always use both screws and dowel pins to prevent finger shifting.
-
Include recesses or profiles to center parts when gripping.
-
Avoid designs that obstruct the full range of gripper motion.
5. Observe the Equilibrium Line Principle
Robotiq grippers are sensitive to fingertip geometry in relation to the equilibrium line:
-
For stable grasping, design your grip surface below the equilibrium line.
-
If your surface is above, expect decreased grip reliability or part ejection.

6. Choose Suitable Materials
-
Use lightweight, rigid materials like aluminum or polycarbonate.
-
For improved grip, add rubber pads or textured coatings.
-
Avoid sharp edges or features that could damage the part.
7. Prototype and Validate
-
Start with a 3D printed prototype to verify fit and motion.
-
Install on the gripper and run test cycles.
-
Check for slippage, misalignment, or overload.
Safety and Design Notes
-
Always power off the robot before installing new fingertips.
-
Wear safety goggles during mechanical work.
-
After installing custom fingers, reinitialize the gripper and test the open/close sequence.
-
Validate gripping in real operation with your specific part.
Custom fingertips allow you to tailor your Robotiq gripper to your exact needs. By following the mechanical specifications, respecting torque limits, and using thoughtful design principles, you can ensure safe, effective performance for your application.
Need help? Contact Robotiq Support



